Ìîòîð-ðåäóêòîðû ×åðâÿ÷íûå.
Òèï ÌÏ× (ñ ïëàíåòàðíîé ïðèñòàâêîé)
ÎÑÍÎÂÍÛÅ ÒÅÕÍÈ×ÅÑÊÈÅ ÕÀÐÀÊÒÅÐÈÑÒÈÊÈ ÌÎÒÎÐ-ÐÅÄÓÊÒÎÐΠÌÏ×
Ìîòîð-ðåäóêòîð |
ÌÏ×-40 |
ÌÏ×-63 |
ÌÏ×-80 |
ÌÏ×-100 |
ÌÏ×-125 |
ÌÏ×-160 |
Íîìèíàëüíûé êðóòÿùèé ìîìåíò íà âûõîäíîì âàëó, Í.ì |
30 |
110 |
220 |
450 |
840 |
1600 |
Íîìèíàëüíàÿ ÷àñòîòà âðàùåíèÿ âûõîäíîãî âàëà, îá/ìèí |
1,75; 2,2; 2,8; 3,5; 4,4; 5,6; 7; 9; 11; 14; 18; 22; 28 |
|||||

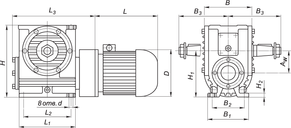
ÃÀÁÀÐÈÒÍÛÅ È ÏÐÈÑÎÅÄÈÍÈÒÅËÜÍÛÅ ÐÀÇÌÅÐÛ ÌÎÒÎÐ-ÐÅÄÓÊÒÎÐΠÌÏ×-40 - ÌÏ×-80
Ìîòîð-ðåäóêòîð |
Aw |
A |
B |
B 1 |
B 2 |
B 3 |
B 4 |
H |
H 1 |
H 2 |
L 1 |
L 2 |
L 3 |
d |
L |
D |
íå áîëåå |
||||||||||||||||
ÌÏ×-40 |
40 |
105 |
120 |
100 |
140 |
164 |
100 |
180 |
112 |
37 |
150 |
150 |
180 |
13 |
260 |
200 |
ÌÏ×-63 |
63 |
150 |
145 |
125 |
165 |
197 |
120 |
232 |
145 |
40 |
175 |
180 |
220 |
13 |
350 |
250 |
ÌÏ×-80 |
80 |
180 |
165 |
140 |
185 |
212 |
145 |
267 |
172 |
42 |
205 |
225 |
260 |
15 |
420 |
250 |

ÃÀÁÀÐÈÒÍÛÅ È ÏÐÈÑÎÅÄÈÍÈÒÅËÜÍÛÅ ÐÀÇÌÅÐÛ ÌÎÒÎÐ-ÐÅÄÓÊÒÎÐΠÌÏ×-100 - ÌÏ×-160
Ìîòîð-ðåäóêòîð |
Aw |
B |
B 1 |
B 2 |
B 3 |
H |
H 1 |
H 2 |
L 1 |
L 2 |
L 3 |
d |
L |
D |
íå áîëåå |
||||||||||||||
ÌÏ×-100 |
100 |
194 |
175 |
140 |
225 |
312 |
200 |
18 |
240 |
200 |
373 |
19 |
450 |
350 |
ÌÏ×-125 |
125 |
243 |
230 |
190 |
230 |
396 |
236 |
22 |
275 |
230 |
437 |
19 |
540 |
350 |
ÌÏ×-160 |
160 |
282 |
280 |
230 |
280 |
500 |
300 |
30 |
350 |
300 |
551 |
22 |
650 |
450 |

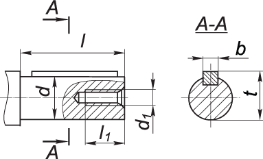
ÏÐÈÑÎÅÄÈÍÈÒÅËÜÍÛÅ ÐÀÇÌÅÐÛ ÖÈËÈÍÄÐÈ×ÅÑÊÈÕ ÂÀËΠÌÎÒÎÐ-ÐÅÄÓÊÒÎÐΠÌÏ×-40 - ÌÏ×-80
Ìîòîð-ðåäóêòîð |
d |
d 1 |
l |
l 1 |
b |
t |
ÌÏ×-40 |
18ê6 |
Ì5 |
28 (40) |
15 |
6 |
20,5 |
ÌÏ×-63 |
28ê6 |
Ì8 |
60 (42) |
20 |
8 |
31 |
ÌÏ×-80 |
35ê6 |
Ì8 |
80 (58) |
20 |
10 |
38 |

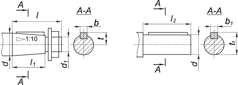
ÏÐÈÑÎÅÄÈÍÈÒÅËÜÍÛÅ ÐÀÇÌÅÐÛ ÊÎÍÈ×ÅÑÊÈÕ È ÖÈËÈÍÄÐÈ×ÅÑÊÈÕ ÂÀËΠÌÎÒÎÐ-ÐÅÄÓÊÒÎÐΠÌÏ×-100 - ÌÏ×-160
Ìîòîð-ðåäóêòîð |
d |
d 1 |
l |
l 1 |
l 2 |
b |
t |
b 1 |
t 1 |
ÌÏ×-100 |
45 |
Ì30õ2,0 |
110 |
82 |
90 |
12 |
23,45 |
14 |
49 |
ÌÏ×-125 |
55 |
Ì36õ3,0 |
110 |
82 |
110 |
14 |
28,95 |
16 |
59 |
ÌÏ×-160 |
70 |
Ì48õ3,0 |
140 |
105 |
140 |
18 |
36,375 |
20 |
75 |

ÏÐÈÑÎÅÄÈÍÈÒÅËÜÍÛÅ ÐÀÇÌÅÐÛ ÏÎËÛÕ ÂÀËΠÌÎÒÎÐ-ÐÅÄÓÊÒÎÐΠÌÏ×-40 - ÌÏ×-160 (2 ÂÀÐÈÀÍÒÀ)
Ìîòîð-ðåäóêòîð |
d |
d 1 |
l |
l 1 |
b |
t |
D õ m õ H8 |
ÌÏ×-40 |
23 |
18 |
112 |
72 |
6 |
20,8 |
22 õ 1,5 õ H8 |
ÌÏ×-63 |
33 |
28 |
108 |
68 |
8 |
31,1 |
32 õ 1,5 õ H8 |
ÌÏ×-80 |
41 |
35 |
116 |
66 |
10 |
38,3 |
40 õ 1,5 õ H8 |
ÌÏ×-100 |
46 |
35 |
205 |
90 |
10 |
38,3 |
45 õ 2,0 õ Í8 |
ÌÏ×-125 |
60 |
40 |
230 |
110 |
12 |
43,3 |
55 õ 2,5 õ Í8 |
ÌÏ×-160 |
72 |
60 |
275 |
130 |
18 |
64,4 |
70 õ 2,5 õ Í8 |
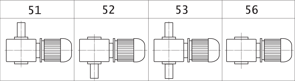
ÂÀÐÈÀÍÒÛ ÑÁÎÐÊÈ ÌÎÒÎÐ-ÐÅÄÓÊÒÎÐΠÌÏ× (âèä ñâåðõó, ÷åðâÿê ïîä êîëåñîì)

ÂÀÐÈÀÍÒ ÐÀÑÏÎËÎÆÅÍÈß ×ÅÐÂß×ÍÎÉ ÏÀÐÛ Â ÌÎÒÎÐ-ÐÅÄÓÊÒÎÐÀÕ ÌÏ× (âèä ñáîêó)

ÏÐÈÌÅÐ ÓÑËÎÂÍÎÃÎ ÎÁÎÇÍÀ×ÅÍÈß ÌÎÒÎÐ-ÐÅÄÓÊÒÎÐÀ ÏÐÈ ÇÀÊÀÇÅ:
ÌÏ×-63-45-52-1-Ó3, ÒÓÓ 29.1-24587406.003-2003
ãäå: ÌÏ× - òèï ìîòîð-ðåäóêòîðà;
63 - ìåæîñåâîå ðàññòîÿíèå, ìì;
5,6 - íîìèíàëüíàÿ ÷àñòîòà âðàùåíèÿ âûõîäíîãî âàëà, îá/ìèí;
52 - âàðèàíò ñáîðêè;
1 - âàðèàíò ðàñïîëîæåíèÿ ÷åðâÿ÷íîé ïàðû;
Ó3 - êëèìàòè÷åñêîå èñïîëíåíèå è êàòåãîðèÿ ðàçìåùåíèÿ.